
数控车床恒线速度功能编程图文实例
%3314
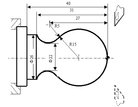
N1 G92 X40Z5 (设立坐标系,定义对刀点的位置)
N2 M03 S400 (主轴以400r/min旋转)
N3 G96 S80 (恒线速度有效,线速度为80m.min)
N4 G00 X0 (刀到中心,转速升高,直到主轴到最大限速)
N5 G01 Z0 F60 (工进接触工件)
N6 G03 U24 W-24R15 (加工R15圆弧段)
N7 G02 X26 Z-31R5 (加工R5圆弧段)
N8 G01 Z-40 (加工中26外圆)
N9 X40 Z5 (回对刀点)
N10 G97 S300 (取消恒线速度功能,设定主轴按300t:/min旋转)
N11 M30 (主轴停、主程序结束并复位)


