
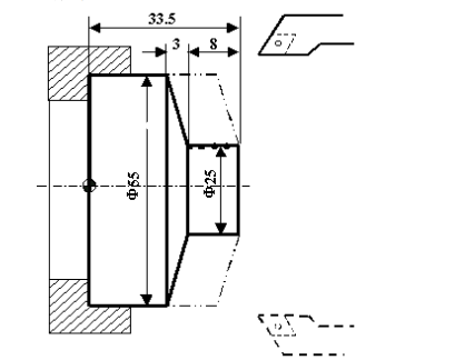
G81切削循环编程实例
%3320
N1 G54 G90 GOO X60 Z45 M03 (选定坐标系,主轴正转,到循环起点)
N2 G81 X25 Z31.5 K-3.5 F100 (加工第一次循环,吃刀深2mm)
N3 X25 Z29.5 K-3.5 (每次吃刀均为2mm)
N4 X25 Z27.5 K-3.5 (每次切削起点位,距工件外圆面5mm,故K值为-3.5)
N5 X25 Z25.5 K-3.5 (加工第四次循环,吃刀深2mm)
N6 M05 (主轴停)
N7 M30 (主程序结束并复位)


